Published:2009/7/16 1:38:00 Author:Jessie | From:SeekIC

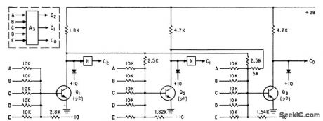
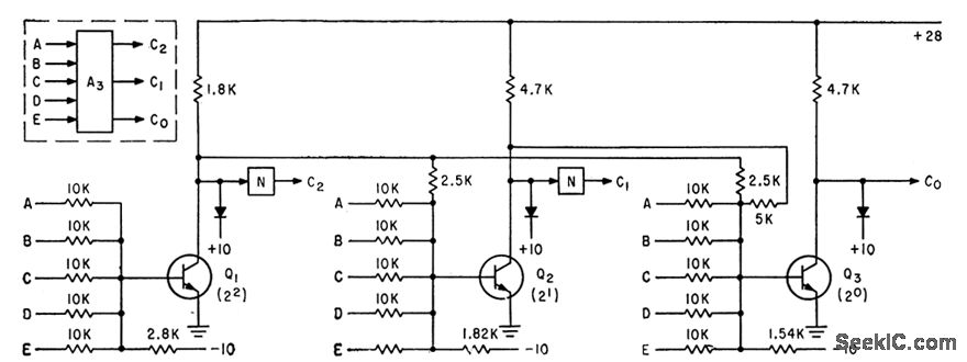
With 2N1499 transistors, settling time of encoder for simultaneous multiplier is less than 0.4 microsec, and maximum time to produce 8-bit product is about 1.2 microsec.-S. C. Chao, High Speed Encoding with Resistor-Transistor-Logic Circuits, Electronics, 35:6, p 48-51.
Reprinted Url Of This Article:
http://www.seekic.com/circuit_diagram/Basic_Circuit/THREE_STAGE_ENCODER.html
Print this Page | Comments | Reading(3)
Code: