Published:2009/7/13 2:27:00 Author:May | From:SeekIC

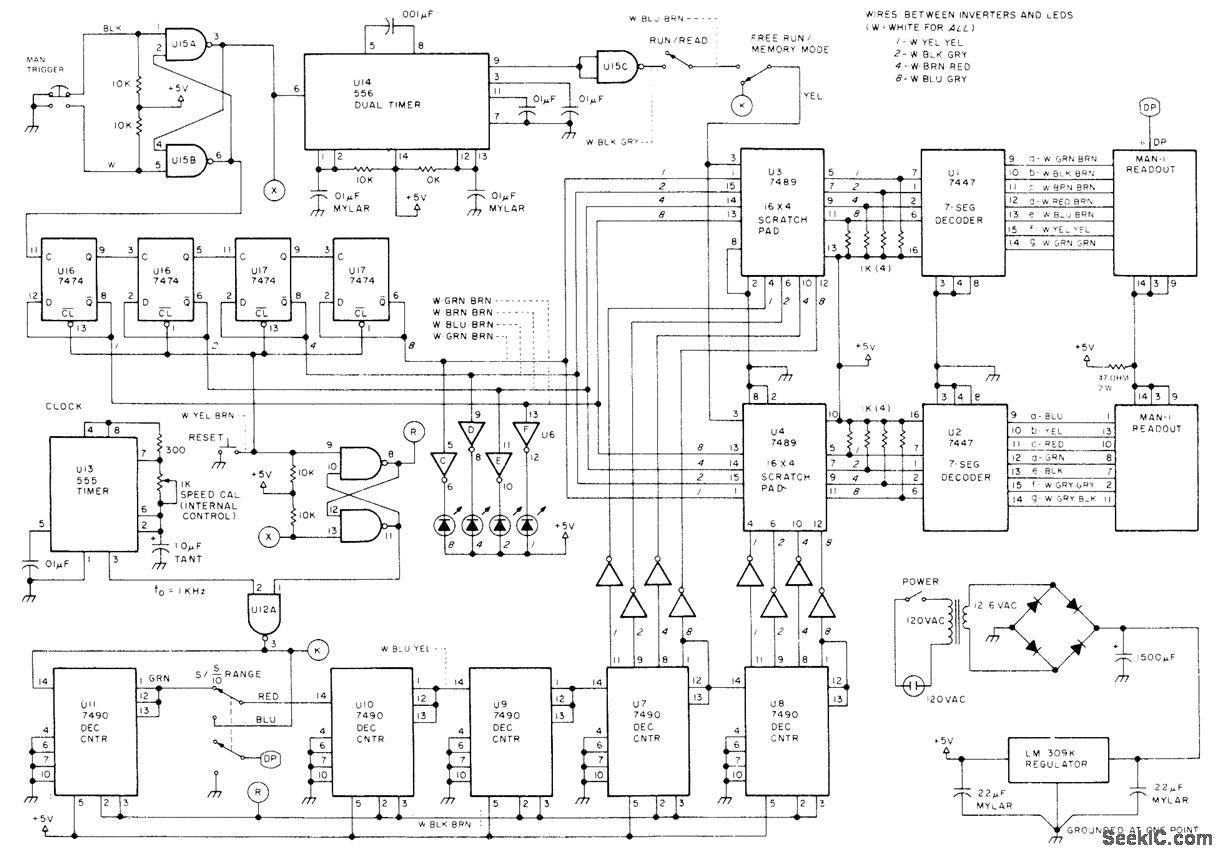
Time elapsed since initial triggering at start of event is shown on 2digit MAN-1 display in seconds or tenths of seconds and written into memory, Up to 16 event times can be stored for later readout. Free-running mode counts off seconds or tenths of seconds on display. Article covers construction and operation. Circuit was Science Fairwinner. Gate and opamp types are not critical.-M. Event Timer with Memory.73 Magazine, 1977,p 72-74.
Reprinted Url Of This Article:
http://www.seekic.com/circuit_diagram/Basic_Circuit/TIMER_WITH_MEMORY.html
Print this Page | Comments | Reading(3)
Code: