Published:2009/7/6 9:07:00 Author:May | From:SeekIC

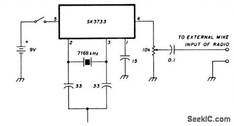
Most European repeaters must be brought up with a 1750-Hz tone. The SK3733 (also known as an ECG1197) IC contains a crystal oscillator and is divided by -256, 1024, 2048, and 4096. A 7168-kHz crystal is used; the divide-by-4096 output produces a 1750-Hz signal.
Reprinted Url Of This Article:
http://www.seekic.com/circuit_diagram/Basic_Circuit/TONE_BURST_GENERATOR_FOR_EUROPEAN_REPEATERS.html
Print this Page | Comments | Reading(3)
Code: