Published:2009/7/3 5:28:00 Author:May | From:SeekIC

Circuit Notes
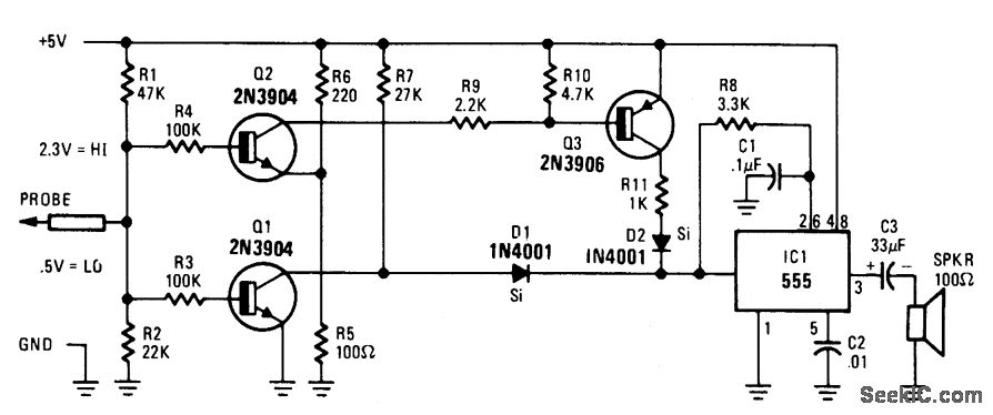
The tone probe uses sound to tell the status of the signal being probed. The probe's input circuit senses the condition of the signal and produces either a low-pitched tone for low-level signals (less than 0.8 V) or a high-pitched tone for high-level signals (greater than 2 V).
Reprinted Url Of This Article:
http://www.seekic.com/circuit_diagram/Basic_Circuit/TONE_PROBE_FOR_TESTING_DIGITAL_ICs.html
Print this Page | Comments | Reading(3)
Code: