Published:2009/7/13 3:24:00 Author:May | From:SeekIC


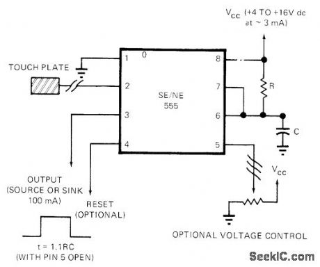
Free-running or mono capabilities of Signetics 555 timer can be controlled through choice of trigger and reset inputs, Characteristics of output pulses can be adiusted over timing periods ranging from microseconds to hours. With 5-V supply, output is TTL-compatible and current drain of only 3 mA perrnhs battery operation. Circuit is easily triggered by voltage differential between floating (ungrounded) human body and timer itself.Touch plate can be any conducting material, with virtually no size limitation. Once triggered by momentary touch, device cannot be retriggered until it has timed out. Duration of output pulse depends on RC time constant and on control voltage. Applications include switchless keyboards, burglar alarms, and bouncefree switches.-J. C. Heater, Monolithic Timer Makes Convenient Touch Switch, EDN Magazine, Dec. 1, 1972, p 55.
Reprinted Url Of This Article:
http://www.seekic.com/circuit_diagram/Basic_Circuit/TOUCH_SWITCH_USES_TIMER.html
Print this Page | Comments | Reading(3)
Code: