Published:2009/7/14 20:42:00 Author:May | From:SeekIC

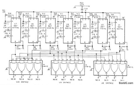
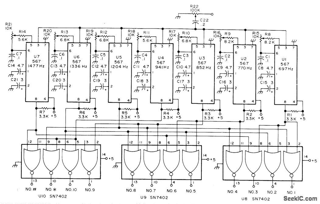
Uses seven National LM567 phase-locked loop decoders (U1-U7) having high noise rejection, immunity to false signals, and stable center frequency. Each 567 activates proper gate of SN7402, making output of gate go to high or 1 state for driving NPN transistor that can turn on LED labeled with corresponding Touch-Tone number. Alternatively, gate outputs can drive 12 relays, with relay contacts going to LEDs and/or to keyboard switches of ordinary calculator used as display display. Article tells how to adjust 10K pot for each 567 for detection of desired frequency.-W. Mac-Dowell, Touch-Tone Decoder, 73 Magazine, June 1976, p 26-27.
Reprinted Url Of This Article:
http://www.seekic.com/circuit_diagram/Basic_Circuit/TOUCH_TONE_DECODER.html
Print this Page | Comments | Reading(3)
Code: