Published:2009/7/13 3:14:00 Author:May | From:SeekIC

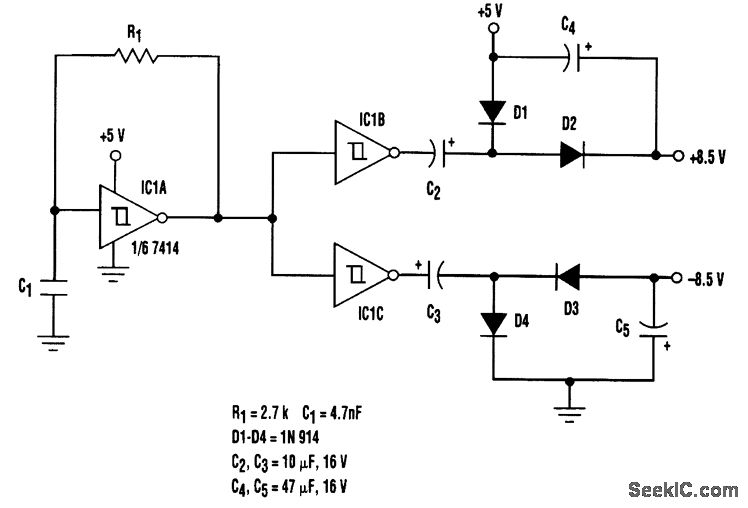
This configuration should prove handy in situations in which dual-polarity supplies are needed for a few devices on a board that has only one +5-V supply. The circuit doesn't need any dc-to-dc converter ICs, nor does it require any transformers or inductors. Three Schmitt-trigger inverters, such as the 7414, form the heart of the circuit (see the ftgure). One inverter is configured as a high-frequency astable multivil)rator employing a single resistor and a capacitor. For the RC values shown, the frequency of the astable output is around 100 kHz. The frequency of the oscillation is given by f=1/T, where T=R1C1 ln[1-VCC/VLT)/(1-VCC/VUT)] and R1 and C1 are the timing components of the astable multivibrator, VCC is the supply voltage, and VLT and VUT are the lower trip point and upper trip point of the Schmitt trigger. The astable multivibrator's output drives a pair of inverters that, in turn, drive a pair of diode-capacitor voltage-doubler circuits. The outputs of the diode-capacitor circuits are around 8.5 V with the polarities shown. Diodes D1 to D4 should be fast-switching types, like the 1N914 or 1N4148. As a result, the circuit can generate ±8.5 V from a single +5-V sup-ply making it useful in many applications.
Reprinted Url Of This Article:
http://www.seekic.com/circuit_diagram/Basic_Circuit/TRANSFORMERLESS_DC_TO_DC_CONVERTER.html
Print this Page | Comments | Reading(3)
Code: