Published:2009/7/15 5:17:00 Author:Jessie | From:SeekIC

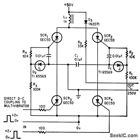
Slave-triggering of SCR1 and SCR2 with capacitive load cuts cost in half by eliminating costly gate transformers. Input of 800 pps (both half-cycles of 400-cps mvbr) gives 400-cps sine. wave output with peak amplitude of 350 v, because bridge switching inverts alternate pulses.-L. M. Tibbets, Scr Bridge Inverter Eliminates Transformers, Electronics, 39:18, p 98-99.
Reprinted Url Of This Article:
http://www.seekic.com/circuit_diagram/Basic_Circuit/TRANSFORMERLESS_SCR_BRIDGE_INVERTER.html
Print this Page | Comments | Reading(3)
Code: