Published:2009/7/5 21:21:00 Author:May | From:SeekIC

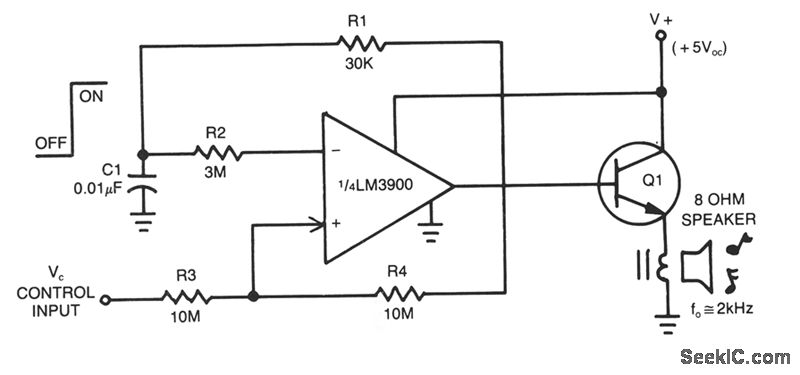
This circuit does not require an output transformer or an output coupling capacitor;the annunciator can easily be turned on or off by a control input voltage driving a 10-MΩ input resistor, R3. For a smaller acoustic output, replace output transistor, Q1, with a 100-Ω resistor, while also raising the voice coil impedance to 100Ω, to prevent loading of the IC.
Reprinted Url Of This Article:
http://www.seekic.com/circuit_diagram/Basic_Circuit/TRANSFORMERLESS_TONE_ANNUNCIATOR.html
Print this Page | Comments | Reading(3)
Code: