Published:2009/7/15 23:00:00 Author:Jessie | From:SeekIC

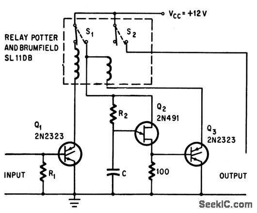
Transient or other pulse at input turns on scr Q1, pulling in dpdt latching relay. Q2 then charges C through R2 until emitter voltage of Q2 is high enough to make it conduct and provide trigger pulse for Q3 to unlatch relay.-D. P. Lynch, Unijunction Transistor Tums off latching Relay, Electronics, 38:23, p 109.
Reprinted Url Of This Article:
http://www.seekic.com/circuit_diagram/Basic_Circuit/TRANSIENT_DETECTOR.html
Print this Page | Comments | Reading(3)
Code: