Published:2009/7/15 22:52:00 Author:Jessie | From:SeekIC

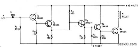
Relay latches on with +12 v set pulse ot A, and is unlatched by +12 v reset pulse at B.-S.E. Summer,Unijunction Tuansistor Latches Relay With Short Pulses,Electronics,38:9,p62.
Reprinted Url Of This Article:
http://www.seekic.com/circuit_diagram/Basic_Circuit/TRANSISTORS_DRIVE_RELAY.html
Print this Page | Comments | Reading(3)
Code: