Published:2009/7/15 4:59:00 Author:Jessie | From:SeekIC

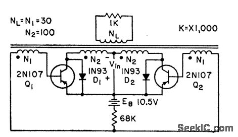
Signal conversion performance is comparable to that of electromechanical vibrator converters. For power conversion, can be substituted for dynamotor in producing high voltage from low-voltage d-c power source.-C. H. R .Campling, Magnetic Inverter Uses Tubes or Transistors, Electronics, 3:11, p 158-161.
Reprinted Url Of This Article:
http://www.seekic.com/circuit_diagram/Basic_Circuit/TRANSISTOR_MAGNETIC_INVERTER.html
Print this Page | Comments | Reading(3)
Code: