Published:2009/7/8 23:05:00 Author:May | From:SeekIC

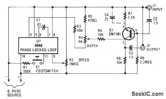
The VCO of U1, a phased-locked loop, produces a low-frequency square-wave signal from 5 Hz to 2500 Hz, which is controlled by varying the voltage to pin 9 via R2. The frequency threshold is set by R1 and C1. Increasing the value of R1 increases the frequency, and decreasing the value of C1 decreases the threshold frequency. Transistor Q1 is operated as an amplifier with the Q point at 4 V, using a transistor with a voltage gain (beta) of 100. The gain without tremolo is about 2 V. With bypass capacitor C4 in the circuit, the gain is set at 33 dB. The instrument drive cannot be greater than 30 mV with C4 in the circuit (no tremolo), to avoid distortion. Without C4, the drive can be 1.5 V maximum with no distortion. U1's output is coupled to the collector of transistor Q1 via depth control R4. The square-wave signal pulls the audio at a frequency determined by R2. The oscillator is activated by foot switch S1.
Reprinted Url Of This Article:
http://www.seekic.com/circuit_diagram/Basic_Circuit/TREMOLO.html
Print this Page | Comments | Reading(3)
Code: