Published:2009/7/13 21:20:00 Author:May | From:SeekIC

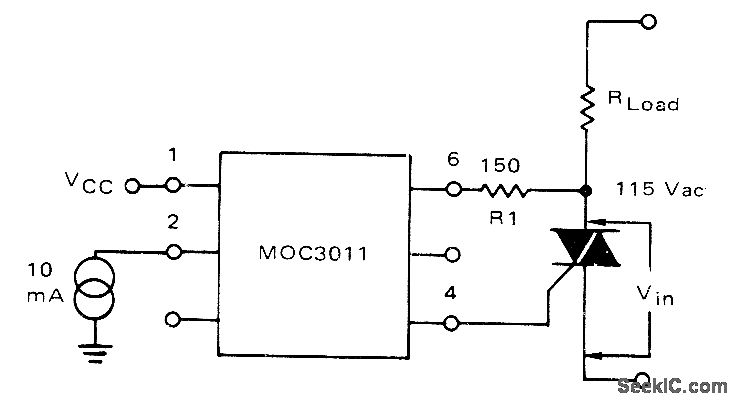
Motorola MOC3011 optoisolatoR serves as interface between 10-mA input circuit and gate of triac controlling AC load. Choice of triac depends on load being handled. Optoisolator detector chip responds to infrared LED; once triggered on, optoisolator stays on until input current drops below holding value of about 100μA.-P. O'Neil, Applications of the MOC3011 Triac Driver, Motorola, Phoenix, AZ, 1978, AN-780, p 2.
Reprinted Url Of This Article:
http://www.seekic.com/circuit_diagram/Basic_Circuit/TRIAC_DRIVE.html
Print this Page | Comments | Reading(3)
Code: