Published:2009/7/15 4:38:00 Author:Jessie | From:SeekIC

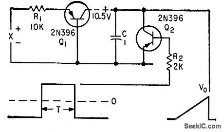
Electronic multiplication is achieved by making slope of sawtooth wave proportional to one factor and duration to other factor. Peak height of triangle will then be proportional to product. Triangle is generated by charging C with collector current of constant generator Q1 during time interval in which Q2 is cut off. -T. R. Hoffman, Analog Multiplication Using Time as One Variable, Electronics, 33:33, p 136-138.
Reprinted Url Of This Article:
http://www.seekic.com/circuit_diagram/Basic_Circuit/TRIANGLE_MULTIPLIER.html
Print this Page | Comments | Reading(3)
Code: