Published:2009/7/2 0:42:00 Author:May | From:SeekIC

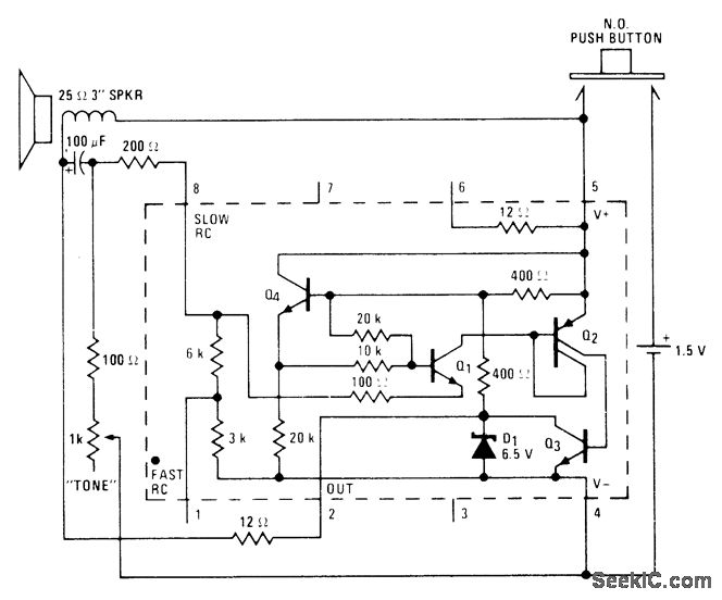
Unique arrangement for driving 25-ohm loudspeaker with National LM3909 IC operating from 1.5-V cell permits generation of slide tones resembling those of trombone. Operation is based on use of voltage generated by resonant motion of loudspeaker voice coil as major positive feedback for IC. Loudspeaker is mounted in roughly cubical box having volume of about 64 in, with one end of box arranged to slide in and out like piston. Positioning of piston and operation of pushbutton permit playing reasonable semblance of simple 15 V tune. IC, loudspeaker, and battery are mounted on piston, with 2 1/2-in length of 5/16-in tubing provided to bleed air in and out as piston is moved, without affecting resonant frequency. Frequency of oscillator becomes equal to resonant frequency of enclosure.- Linear Applications, Vol. 2, National Semiconductor, Santa Clara, CA, 1976, AN-154, p 6.
Reprinted Url Of This Article:
http://www.seekic.com/circuit_diagram/Basic_Circuit/TROMBONE_CIRCUIT.html
Print this Page | Comments | Reading(3)
Code: