Published:2009/7/24 11:46:00 Author:Jessie | From:SeekIC

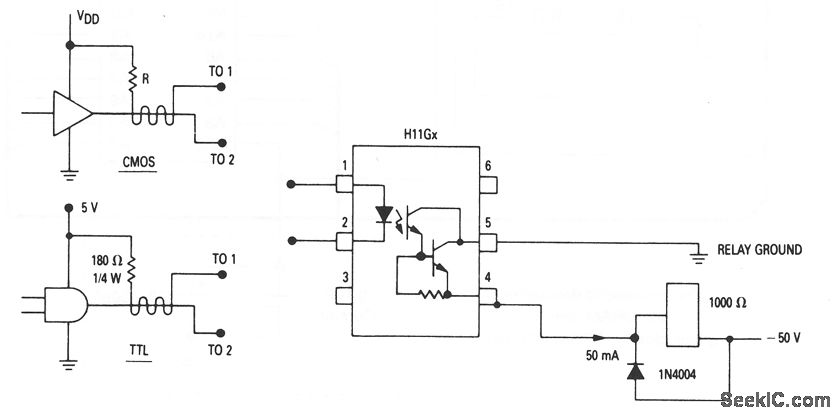
This circuit provides interface of positive-logic circuits to negative-powered telephone equipment. In addition, the circuit provides for a change in voltage level (+5 and -50 V), as well as isolation, using an H11G optoisolator. Motorola Thyristor Device Data, 1989, p. 6-54.
Reprinted Url Of This Article:
http://www.seekic.com/circuit_diagram/Basic_Circuit/TTL_DTL_interface_to_telephone_equipment.html
Print this Page | Comments | Reading(3)
Code: