Published:2009/7/2 5:31:00 Author:May | From:SeekIC

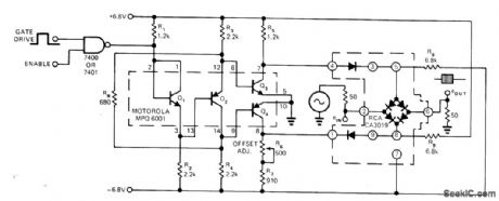
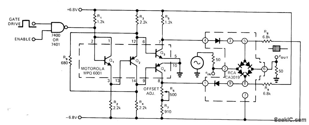
MotoroIa MPQ 6001 quad complementary-pair transistor IC serves as interface between TTL gateand diodebrldge used as signal gate. Propagation delay from leadingedge of gate drive pulse until bridge gate opens is 30 ns, with negligible delay between complementary outputs. Used in providing low-level burst of input signal when making response ime measurement.-R. W. Hilsher, Universal Interface: TTL to Diode Array, EDN Magazine, March 5, 1975, p 74 and 76,
Reprinted Url Of This Article:
http://www.seekic.com/circuit_diagram/Basic_Circuit/TTL_INrERFACE.html
Print this Page | Comments | Reading(3)
Code: