Published:2009/7/16 1:45:00 Author:Jessie | From:SeekIC

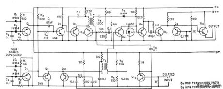
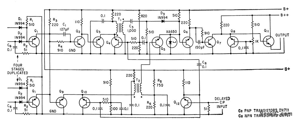
Used as part of program pulse generator incorporating ring of four stages, diode-matrixed with ring of three stages to provide twelve-bit words at 30-Mc dock rate.C6 and R2 are a-c terminations for coax from output of ring counter.-W. V. Harrison and R. S. Foote, funnel Diodes Increase Digital-Circuit Switching Speeds, Electronics, 34:32, p 154.-156.
Reprinted Url Of This Article:
http://www.seekic.com/circuit_diagram/Basic_Circuit/TUNNEL_DIODE_OR_CIRCUIT_AND_ENVELOPE_GENERATOR.html
Print this Page | Comments | Reading(3)
Code: