Published:2009/7/13 3:21:00 Author:May | From:SeekIC

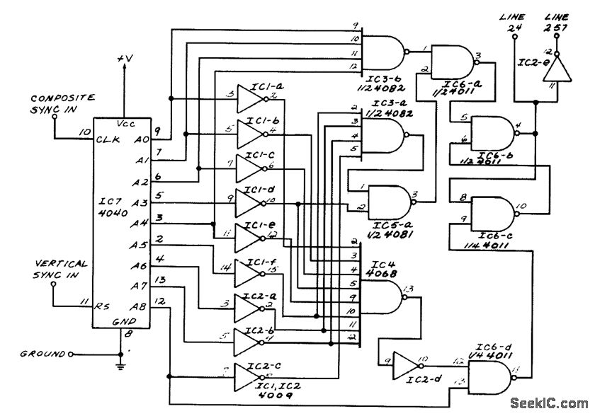
This circuit will produce outputs on TV lines 24 and 257. It was used for a decoder circuit. It uses a CMOS counter and gate logic. Only one pin is used for the output line indicator.
Reprinted Url Of This Article:
http://www.seekic.com/circuit_diagram/Basic_Circuit/TV_LINE_DECODER_I.html
Print this Page | Comments | Reading(3)
Code: