Published:2009/6/30 23:53:00 Author:May | From:SeekIC

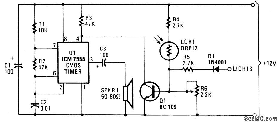
As dusk begins to fall, the sensor (a cadmium-sulftde light-dependent resistor or LDR) operates a small horn to provide an audible reminder that it's time to turn on your lights. To turn the circuit off-simply turn your headlights on and the noise stops. The base of Q1 is fed through a voltage divider formed by R4, LDRl-a light-dependent resistor with an internal resistor of about 100 ohms under bright-light conditions and about 10 megohms in total darkness-potentiometer R6. Q1's base voltage depends on the light level received by LDR1 and the setting of R6. If LDR1 detects a high light level, its resistance decreases, thereby providing a greater base current for Q1, causing it to conduct. When Q1 conducts, pin 4 of UI is pulled to near ground potential, muting the oscillator. If; on the other hand, LDR1 detects a low light level, its resistance increases (reducing base currentto Q1), cutting off the transistor and enabling the oscillator. In actual practice, you set R6 so that at a suitable light level (dusk), the oscillator will sound.The anode of diode Dl connects to the light switch, where it connects to the vehicle's parking lights. With the lights switched off, that point is connected to the negative chassis by way of the parking lamp. That has no effect on the circuit, as Dl blocks any current flow to ground from Q1's base via R6 and the sidelight lamps. When the lights are switched on, the anode of Dl is connected to the positive supply via the parking lamp switch, thereby applying a voltage to the base of Q1, biasing it into conduction. With Q1 conducting, pin 4 of UI is pulled virtually to ground, disabling the oscillator even though LDRl's resistance is not enough to do so.
Reprinted Url Of This Article:
http://www.seekic.com/circuit_diagram/Basic_Circuit/TWILIGHT_TRIGGERED_CIRCUIT.html
Print this Page | Comments | Reading(3)
Code: