Published:2009/7/11 1:34:00 Author:May | From:SeekIC



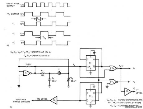
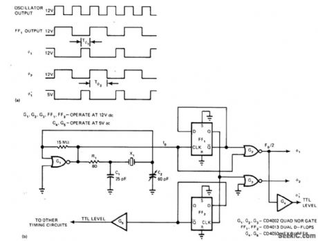
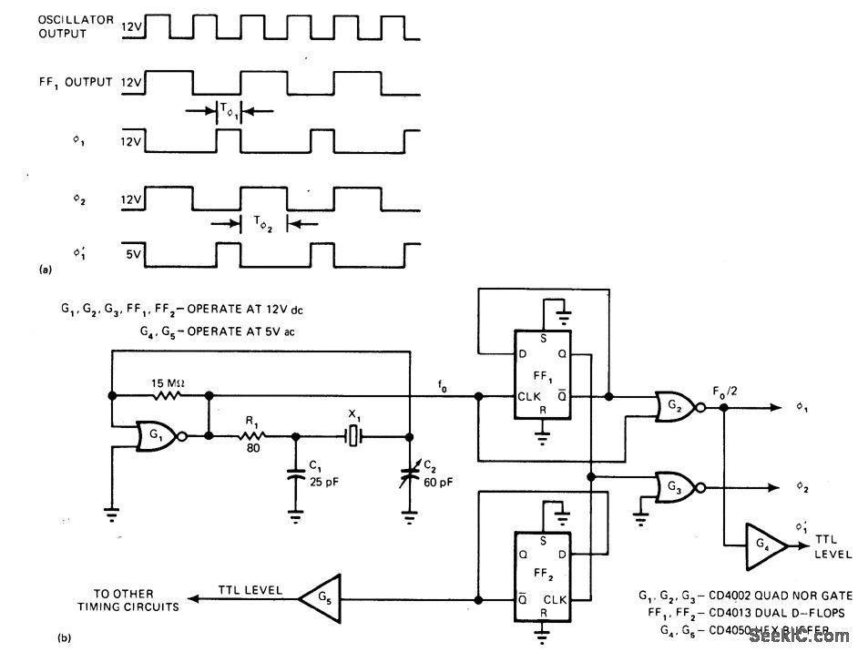
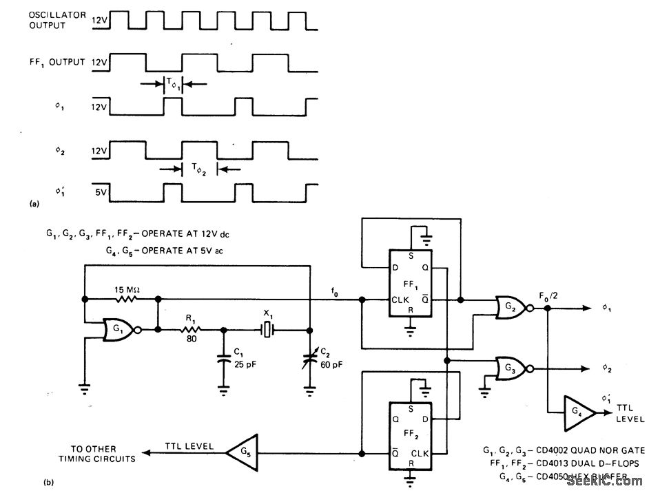
Crystal oscillator opetating at twice desired dock frequency uses pi network R1-C1-X1-C2 providing 180°phase shift required for positive feedback to input of oscillator G1. D flip-flop FF1 in divide-by-2 configuration generates one phase, while NOR gate G2 generates other phase from basic oscillator by masking out every other cycle. G3 merely provides enough propagation delay on second phase to prevent overlap with first phase. Crystal should be below 3 MHz.-D. M.Risch, 8080 CMOS Clock Uses Two IC's, EDN Magazine, Jan. 5, 1977, p 50.
Reprinted Url Of This Article:
http://www.seekic.com/circuit_diagram/Basic_Circuit/TWO_PHASE_CLOCK_FOR_8080.html
Print this Page | Comments | Reading(3)
Code: