Published:2009/7/2 7:33:00 Author:May | From:SeekIC

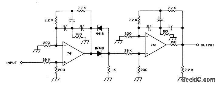
Uses diode threshold detector between stages to prevent weak undesired signals from passing through until CW signal of desired frequency is present, so as to provide quiet tuning between signals. Bandwidth of filter is sharp (16 Hz), and keyed waveform is good. Gain is near unity, and frequency and Q are both fixed.-A. F. Stahler, An Experimental Comparison of CW Audio Filters, 73 Magazine, JuIy 1973, p 65-70.
Reprinted Url Of This Article:
http://www.seekic.com/circuit_diagram/Basic_Circuit/TWO_STAGE_CW.html
Print this Page | Comments | Reading(3)
Code: