© 2008-2012 SeekIC.com Corp.All Rights Reserved.
Published:2011/7/10 19:15:00 Author:Michel | Keyword: Transistor Temperature Sensor, Temperature Monitoring Circuit | From:SeekIC

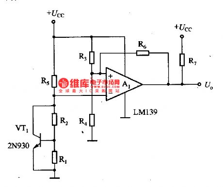
This figure is monitoring circuit of transistor temperature sensor temperature.In the circuit,VT1 is used as temperature snesor,it
adopts the -2·2mV/℃ temperature coefficient of silicon transistors base-emitter voltage and the temperature range is
-65一15O℃. A1 is comparator circuit and its output is U。and is connected with corresponding alarm system.R3 and R4 determine temperature setting value and the warner sounds when the present temperature exceeds setting value.
Reprinted Url Of This Article:
http://www.seekic.com/circuit_diagram/Basic_Circuit/Temperature_Monitoring__Circuit_of_Transistor_Temperature_Sensor.html
Print this Page | Comments | Reading(3)
Response in 12 hours
© 2008-2012 SeekIC.com Corp.All Rights Reserved.
Code: