About SeekIC | Services | Payment | Advertisements service | Contact Us | Links
© 2008-2012 SeekIC.com Corp.All Rights Reserved.
Published:2012/8/30 22:35:00 Author:Ecco | Keyword: Text-display , logic pen , gate circuit | From:SeekIC

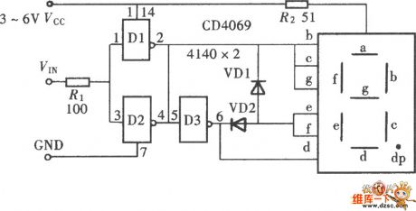
The text-display logic pen is shown in the figure, the text here does not mean high and low in Chinese, but the word h and l in English. Due to the particularity of this two-letter glyphs, you can easily use it to form logic level test with LED digital tube.
Reprinted Url Of This Article:
http://www.seekic.com/circuit_diagram/Basic_Circuit/Text_display_logic_pen_CD4069_circuit_diagram_with_gate_circuit.html
Print this Page | Comments | Reading(3)
Response in 12 hours
© 2008-2012 SeekIC.com Corp.All Rights Reserved.
Code: