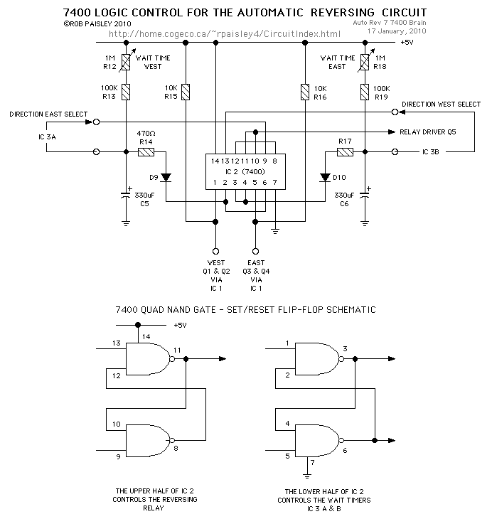
Published:2013/6/5 21:45:00 Author:muriel | Keyword: The Brain, Reversing Circuit | From:SeekIC

Reprinted Url Of This Article:
http://www.seekic.com/circuit_diagram/Basic_Circuit/The_Brain_Of_The_Reversing_Circuit.html
Print this Page | Comments | Reading(3)
Code: