Published:2011/7/16 23:03:00 Author:nelly | Keyword: Gate Isolated, driving, Adjustable, Duty Circle | From:SeekIC

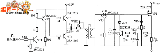
The gate isolated driving circuit shown in the picture applies the pulse transformer. This is the low-impedance output driving circuit which is composed of VT3 and VT4. In order to reduce the DC consumption, the isolated capacitor C1 is added to the circuit. VD1~VD4 selects the low drop voltage Schottky diode, VD4 and R1 are used to limit the negative peak voltage which is produced when the VF1 is limited.
Fig, The Gate Isolated driving Circuit with Adjustable Duty Circle
Reprinted Url Of This Article:
http://www.seekic.com/circuit_diagram/Basic_Circuit/The_Gate_Isolated_driving_Circuit_with_Adjustable_Duty_Circle.html
Print this Page | Comments | Reading(3)
Code: