Published:2011/6/18 2:48:00 Author:Seven | Keyword: adjustment control board, principle diagram | From:SeekIC

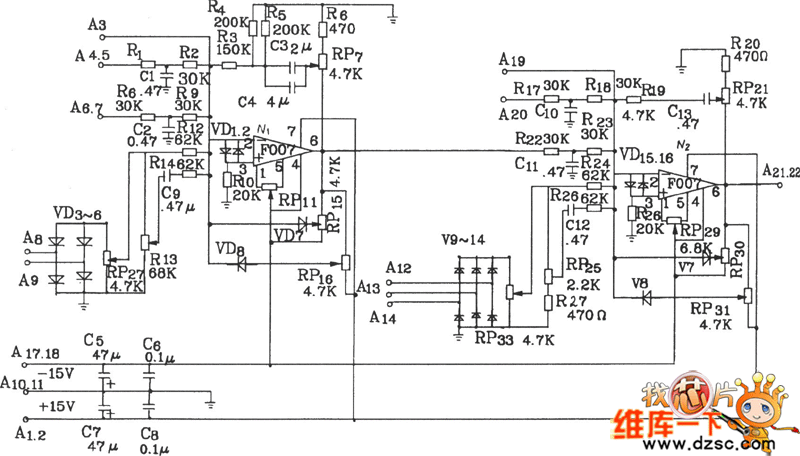
The KJT1 adjustment control board circuit principle diagram with graph paper.The KJT1 adjustment control board consists of the 2-stage computing amplifier, which has the proportional integral sector circuit and a speed dual closed-loop system. This PI adjustment board can work with KJZ2, KJZ3 , KIz6 and other controllable silicon distribution boards, it can fulfill functions of single phase, 3-phase AC voltage adjustment, speed adjustment or AC voltage adjustment and speed adjustment. It has a good quality and convenient usage. The KJTI adjustment control board circuit is shown in the figure.
Reprinted Url Of This Article:
http://www.seekic.com/circuit_diagram/Basic_Circuit/The_KJT1_adjustment_control_board_circuit_principle_diagram.html
Print this Page | Comments | Reading(3)
Code: