Published:2012/10/17 21:53:00 Author:Ecco | Keyword: application | From:SeekIC

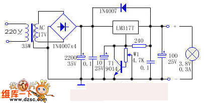
It uses LM317T to make adjustable power supply, but the problem is that the load is often burned due to poor contact of potentiometer and output voltage increases. If the circuit increases a transistor, under normal circumstances, the base potential of T1 is 0, and T1 is cut off, and it has no effect on the circuit; when W1 is in poor contact, the base of T1 electrode potential rises, when it is raised to 0.7V, T1 gets conduction to reduce LM317T adjustment terminal voltage, then the output voltage is also reduced, thereby to play a protective role on the load.
Reprinted Url Of This Article:
http://www.seekic.com/circuit_diagram/Basic_Circuit/The_LM317T_application_circuit_diagram.html
Print this Page | Comments | Reading(3)
Code: