Published:2014/4/2 21:09:00 Author:lynne | Keyword: The LM35D interface circuit diagram, | From:SeekIC

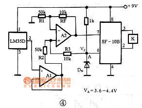
The interface circuit LM35D LM35D sensitivity of 10mV / ℃, it is up to 1V at 100 ℃ output. As the SF-10 instrument amplifier maximum input voltage of 240mV, so the higher the maximum temperature of the output signal LM35D to be attenuated. Further, LM35D voltage signal is output to ground, it can not directly access the output signal of the two inputs of the SF-10B (the ground pin ⑥, a single power amplifier device can not work), which requires the output voltage decays , and after the transfer circuit voltage to the interface with the SF-10B, as shown in FIG.
Reprinted Url Of This Article:
http://www.seekic.com/circuit_diagram/Basic_Circuit/The_LM35D_interface_circuit_diagram.html
Print this Page | Comments | Reading(3)
Code: