Published:2011/12/1 2:28:00 Author:Ecco | Keyword: typical application | From:SeekIC





The amplifier circuit with voltage gain in 20 :
The amplifier circuit with voltage gain in50 :
The amplifier circuit with voltage gain in200 :
6db gain amplifier circuit in 85Hz:
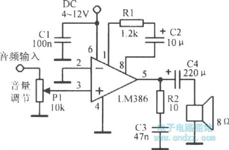
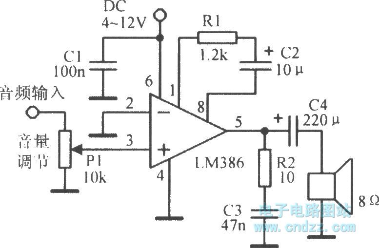
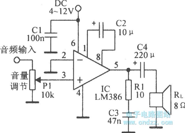
The LM386 circuit for radio:
Reprinted Url Of This Article:
http://www.seekic.com/circuit_diagram/Basic_Circuit/The_LM386_typical_application_circuit.html
Print this Page | Comments | Reading(3)
Code: