Published:2011/6/23 20:30:00 Author:Seven | Keyword: typical application | From:SeekIC

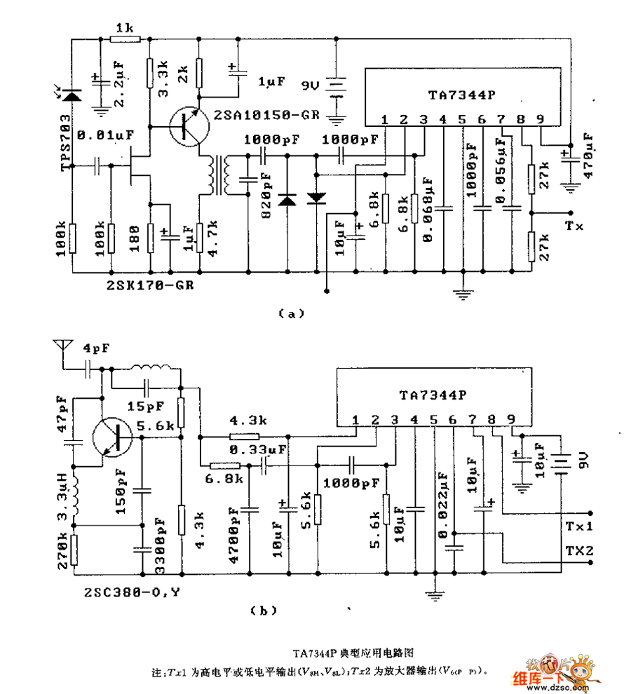
Figure:The TA7344P typical application circuit
Notes: Trl is the high LEV or low LEV output (V&H, V&L); Tx2 is the manifier output(V6(p,P)).
Reprinted Url Of This Article:
http://www.seekic.com/circuit_diagram/Basic_Circuit/The_TA7344P_typical_application_circuit.html
Print this Page | Comments | Reading(3)
Code: