Published:2011/6/20 21:21:00 Author:Seven | Keyword: application circuit | From:SeekIC

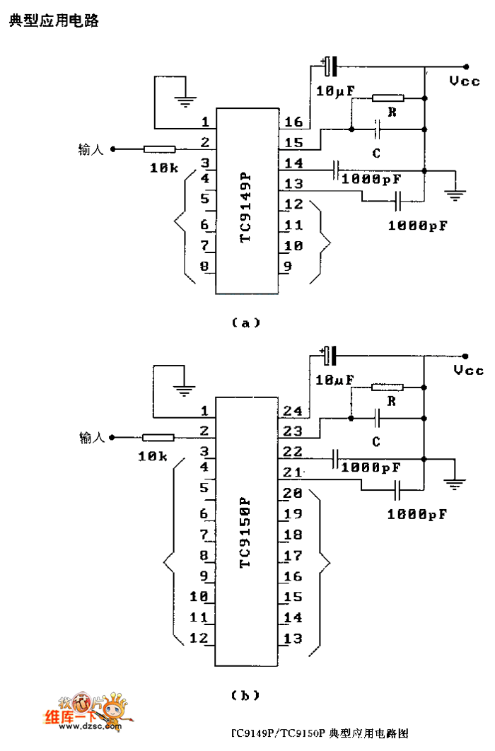
Figure: The TC9149P/TC9150F typical application circuit
Reprinted Url Of This Article:
http://www.seekic.com/circuit_diagram/Basic_Circuit/The_TC9149P_TC9150F_typical_application_circuit.html
Print this Page | Comments | Reading(3)
Code: