Published:2011/5/9 2:59:00 Author:Nicole | Keyword: magnetic resistance, integrated circuit | From:SeekIC



The figure1 is the application circuit of magnetic resistance integrated circuit HMC1051Z. The circuit in the figure1(a) adopts +5V single power supply, A1 also is amplifier circuit, the total amplification is 100 times. U01 outputs AC singal, U02 outputs DC singal, the output singal indicates the strength of magnetic field which is measured by HMC10512.
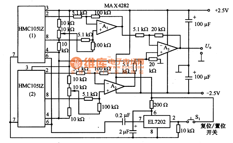
The circuit in the figure1(b) adopts two 1HMClO51Z to eliminate the influence of stray magnetic field, it adopts ± 2.5 V power supply, U01 output is the strength of related magnetic field.
(a)magnetic field measuring circuit diagram
(b)magnetic field measuring circuit diagram
The figure1 is the application circuit diagram of magnetic resistance integrated circuit HMC1051Z
Reprinted Url Of This Article:
http://www.seekic.com/circuit_diagram/Basic_Circuit/The_application_circuit_diagram_of_magnetic_resistance_integrated_circuit_HMC1051Z.html
Print this Page | Comments | Reading(3)
Code: