Published:2011/7/13 23:17:00 Author:TaoXi | Keyword: applications, full-bridge, driver | From:SeekIC





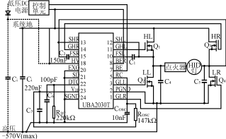
The PHILIPS company uses the BCD750 power logic process method to produce the UBA2030T, this device is designed as one kind of high-voltage IC that can be used to drive the power MOSFET of the full-bridge topology structure. The UBA2030T only needs to use a small amount of the external components to form the high strength discharge (HID) lamp electronic ballast circuit, and it supplies the solution for the design of the HID lamp driving circuit.
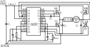
The UBA2030T uses the 24-pin SO package which is as shown in figure 1.
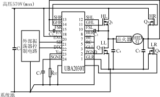
The UBA2030T is composed of the bootstrap diode, the oscillator, the high-voltage and low-voltage electrical level phase shifter, the high-end and low-end drives and the control logic circuit. The internal structure block diagram is as shown in figure 2.
Reprinted Url Of This Article:
http://www.seekic.com/circuit_diagram/Basic_Circuit/The_applications_of_the_full_bridge_driver_UBA2030T.html
Print this Page | Comments | Reading(3)
Code: