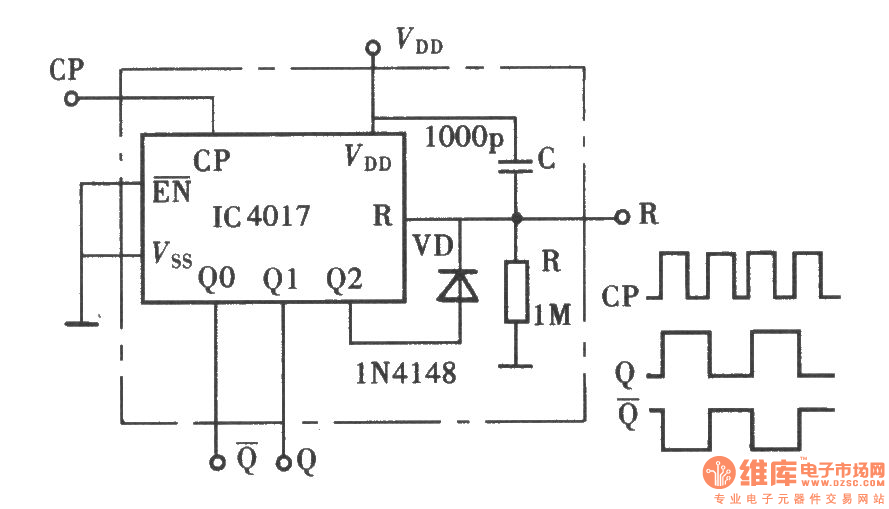
Published:2011/4/13 4:28:00 Author:Ecco | Keyword: bistable flip-flop | From:SeekIC

Reprinted Url Of This Article:
http://www.seekic.com/circuit_diagram/Basic_Circuit/The_bistable_flip_flop_composed_of_CD4017.html
Print this Page | Comments | Reading(3)
Code: