Published:2011/9/15 1:17:00 Author:Rebekka | Keyword: logic probe with memories | From:SeekIC

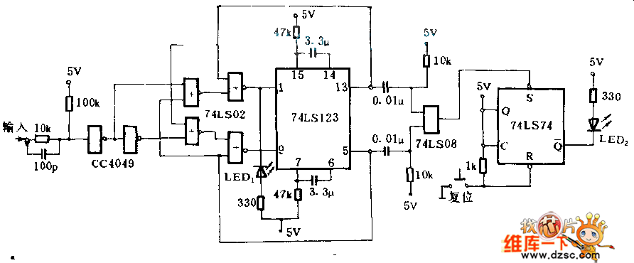
The circuit can be used for camera jitter detection. It is suitable for ±15V input signal. When the probe inputs 1, the negative trigger terminal of dual monostable circuit 74LS123 is in low level, light LED1 is lit, when the input falls down, 9 will be triggered and 5 has a transition. LED1 shows 20ms dark time. When the input is 0, LED 2 is dark, but the positive jump will make LED1 show 20ms light schedule. The 13 and 5 of 74LS123 have the function of memory.
Reprinted Url Of This Article:
http://www.seekic.com/circuit_diagram/Basic_Circuit/The_circuit_of_logic_probe_with_memories.html
Print this Page | Comments | Reading(3)
Code: