Published:2011/7/8 5:52:00 Author:TaoXi | Keyword: electric transducer | From:SeekIC

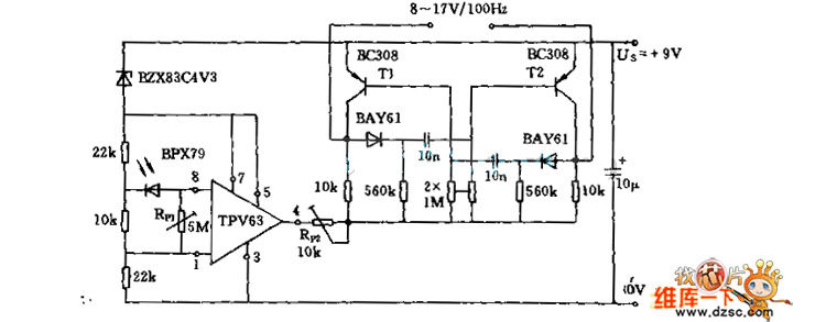
The circuit of the electric transducer is as shown in the figure:
Reprinted Url Of This Article:
http://www.seekic.com/circuit_diagram/Basic_Circuit/The_circuit_of_the_electric_transducer.html
Print this Page | Comments | Reading(3)
Code: