Published:2012/10/12 21:53:00 Author:Ecco | Keyword: counter , Hall sensor | From:SeekIC

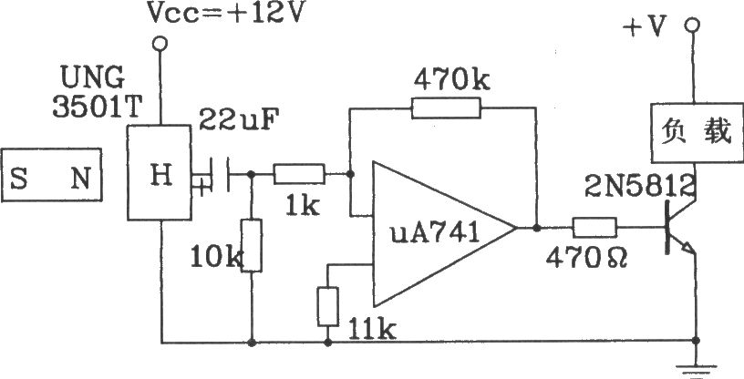
UGN-3501T has a high sensitivity, it can experience a small change in the magnetic field, thus detect the presence or absence of black metal. We use this characteristic for counting. When Ball rolls across the position of the Hall sensor, the sensor outputs a pulse with 20mV peak, and the pulse signal can drive 2N5812 transistor after being amplified by μA741 opamp, so that complete conduction and cutoff process. Then the counter is connected to 2N5812 output end to constitute counters.
Reprinted Url Of This Article:
http://www.seekic.com/circuit_diagram/Basic_Circuit/The_counter_circuit_diagram_using_UGN_3501T_Hall_sensor.html
Print this Page | Comments | Reading(3)
Code: