Published:2011/12/1 2:03:00 Author:Ecco | Keyword: current expansion, unipolar output | From:SeekIC


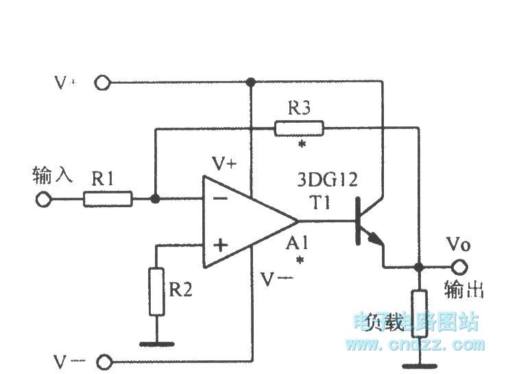
The current expansion circuit with positive output:
The current expansion circuit withnegative output:
Reprinted Url Of This Article:
http://www.seekic.com/circuit_diagram/Basic_Circuit/The_current_expansion_circuit_with_unipolar_output.html
Print this Page | Comments | Reading(3)
Code: