Published:2011/7/4 22:50:00 Author:Lucas | Keyword: drive circuit , bridge sensor | From:SeekIC

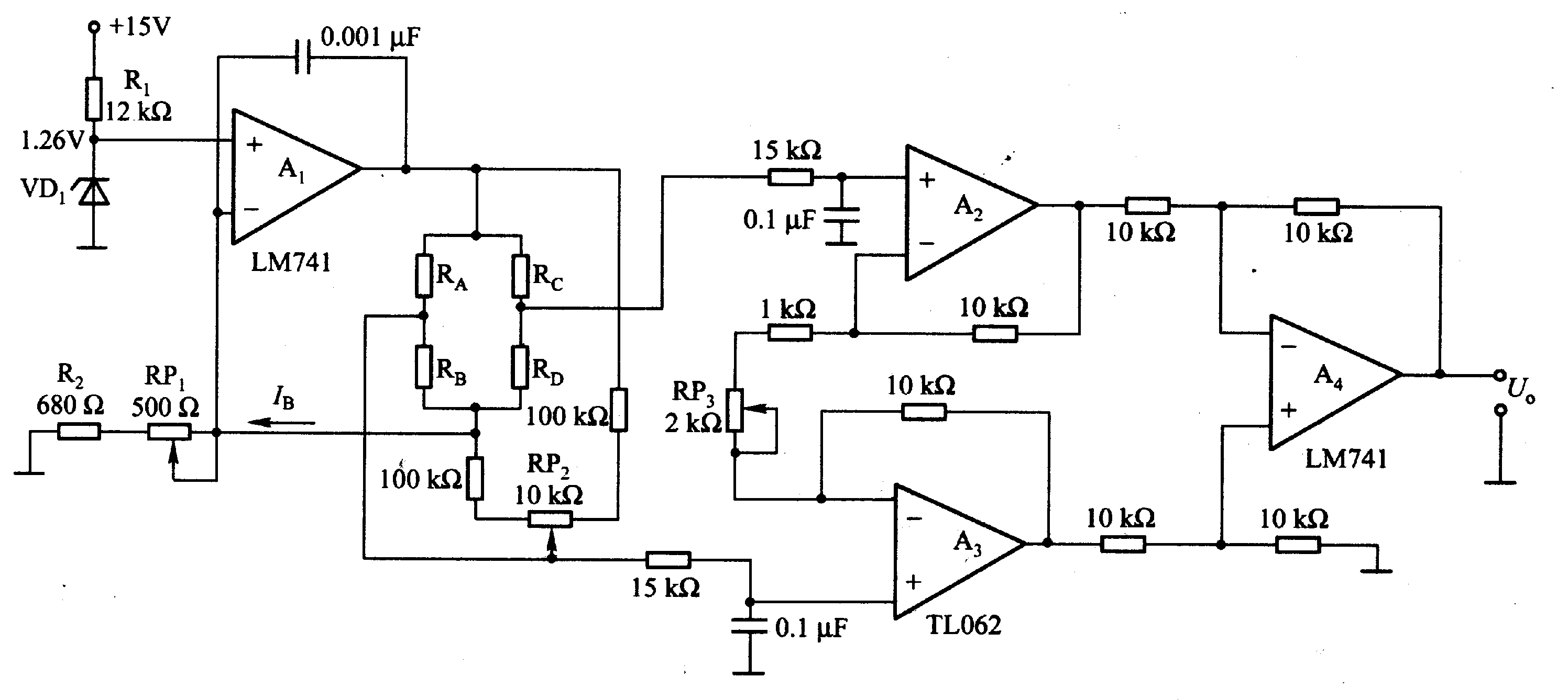
In the circuit, Al is the constant current output circuit, and constant value is decided by the UZ (VD1 stable voltage) and (R (RP1) + R2), and it is bridge sensor (RA-RD constitute a bridge circuit) to provide constant current bias. A2-A4 constitute an instrumentation amplifier, which can amplify the small signal output by sensor to the needed level.
Reprinted Url Of This Article:
http://www.seekic.com/circuit_diagram/Basic_Circuit/The_drive_circuit_of_bridge_sensor.html
Print this Page | Comments | Reading(3)
Code: