Published:2011/7/4 23:28:00 Author:Lucas | Keyword: drive circuit , metal halide lamp | From:SeekIC

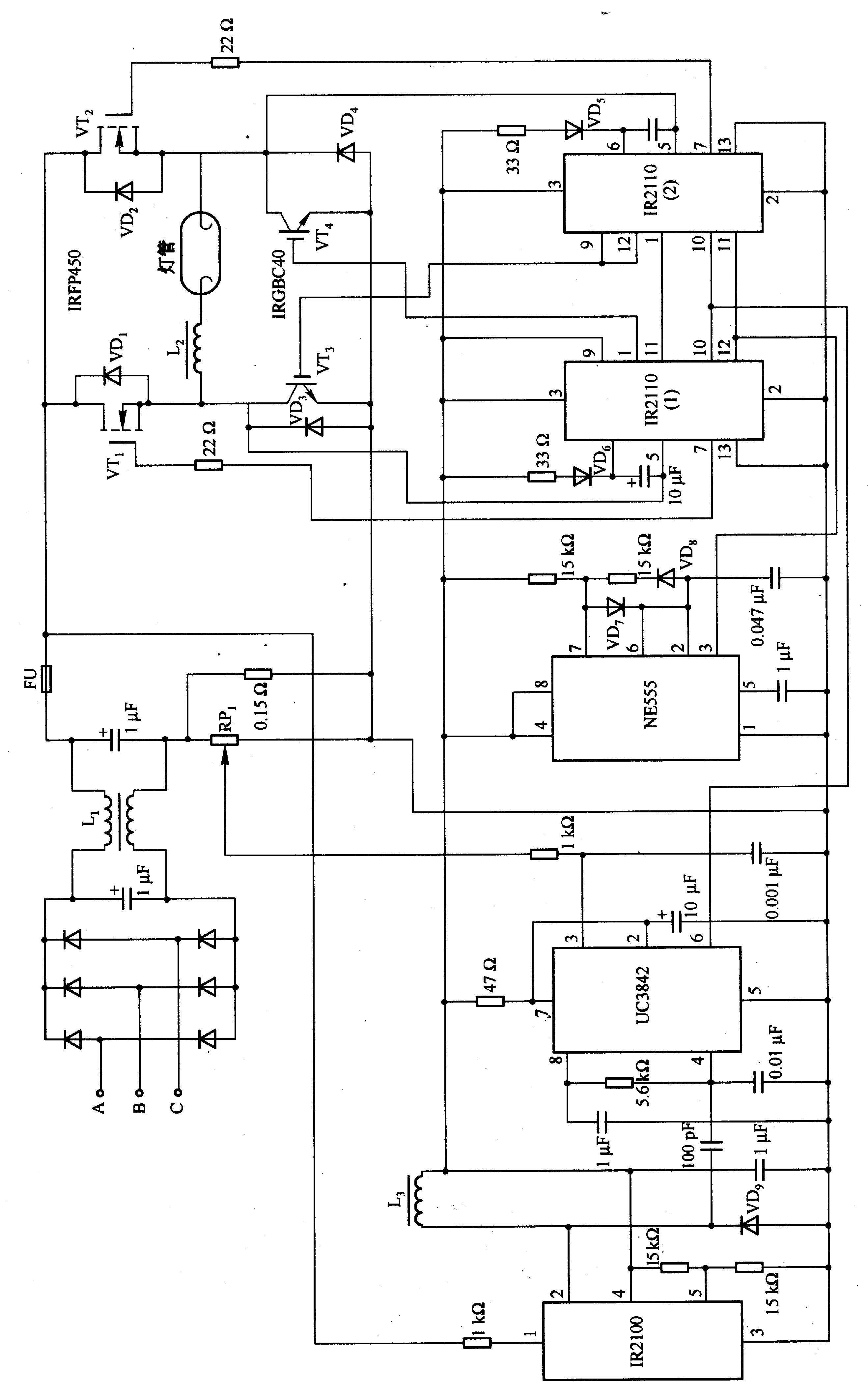
Output part is the the bridge circuit which is composed of the power MOSFET (VTl and VT2) and IGBT (VT3 and VT4). The bottom of the IGBT works in the switching frequency of (VT3 and VT4) 100Hz, then the electrode consumption of the metal halide lamp is the average current. The choking coil L2 keeps the current of lamp stable, but the top power MOSFET (VTl and VT2) works in the switching frequency of 41.67 k to make L2 lightweight. NE555 oscillates in the frequency of 100Hz, then the UC3842 detects the metal halide lamp current to generate 41.67 KHz PWM output pulse.
Reprinted Url Of This Article:
http://www.seekic.com/circuit_diagram/Basic_Circuit/The_drive_circuit_of_metal_halide_lamp.html
Print this Page | Comments | Reading(3)
Code: