Published:2014/1/12 21:40:00 Author:lynne | Keyword: The first of the Blind Pathfinders (LM567, KD56022) circuit, | From:SeekIC

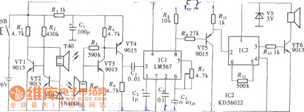
One of the Blind Pathfinders(LM567, KD56022) circuit shown in Figure:
Reprinted Url Of This Article:
http://www.seekic.com/circuit_diagram/Basic_Circuit/The_first_of_the_Blind_Pathfinders_LM567_KD56022_circuit.html
Print this Page | Comments | Reading(3)
Code: