Published:2011/9/19 1:46:00 Author:Ecco | Keyword: interface circuit | From:SeekIC

Reprinted Url Of This Article:
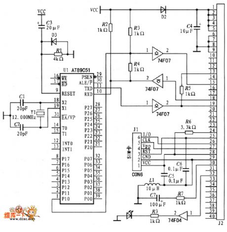
http://www.seekic.com/circuit_diagram/Basic_Circuit/The_interface_circuit_between_AT89C51_and_TC35i.html
Print this Page | Comments | Reading(3)
Code: