Published:2011/7/1 1:38:00 Author:Ecco | Keyword: interface , pressure transmitter | From:SeekIC

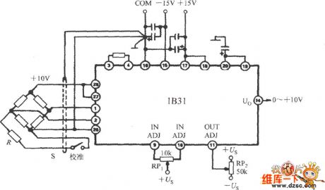
The interface circuit between typical pressure transmitter (such as the Dynisco company's 800 series of pressure transducer) and 1B31 is shown as the chart. 1B31 outputs stable +10 V excitation voltage, and the pressure transmitter full scale output voltage is 30mV. Seting 1B31 gain is 333.3 times could make the 0 to 10,000 lb / inch 2 pressure change into 0 ~ 10V output. For eliminating ground loops, signal returning side and shielded cables must be grounded in the same point. S is the calibration switch, and R is the branch calibration resistor, which can correct full scale output in 80%.
Reprinted Url Of This Article:
http://www.seekic.com/circuit_diagram/Basic_Circuit/The_interface_circuit_diagram_of_pressure_transmitter.html
Print this Page | Comments | Reading(3)
Code: