Published:2011/7/5 1:15:00 Author:Lucas | Keyword: lamp , drive circuit | From:SeekIC

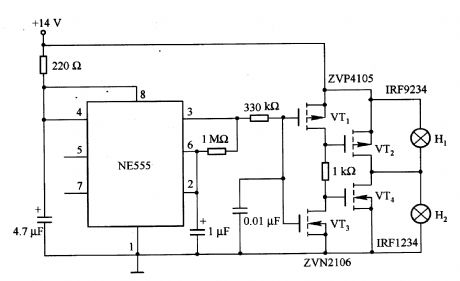
In the circuit, the bulb Hl and H2 are connected in parallel. When Hl is lit; MOSFET tube VT4 is conducted, almost all the supply voltage is added at both ends of H1, then Hl is brightest. For lighting the bulb H2, t, it will generate 3Oms delay, then the end of bulb has been lit by filament light bulb, and the impact is that the impulse current is limited to be the steady-state current of lamp to extend lamp life. NE555is the oscillator circuit, andthe pin 3 outputs pulse signal.
Reprinted Url Of This Article:
http://www.seekic.com/circuit_diagram/Basic_Circuit/The_lamp_drive_circuit_using_NE555.html
Print this Page | Comments | Reading(3)
Code: