Published:2012/11/1 22:20:00 Author:Ecco | Keyword: magnetic reset, demagnetization network | From:SeekIC

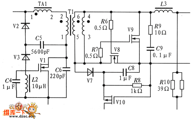
Magnetic reset circuit uses LCD network, and LCD Clamp not only be able to feedback transformer excitation energy back to the grid, and can effectively inhibit the voltage spikes caused by the leakage inductance energy. When V1 is off, C5 clamp capacitor is charged. When V1DS rises to greater than the input voltage, C5 discharges, and V2 gets conduction, when V1DS gets conduction, the inductor L2 and C5 are resonant and discharging forcing V1DS denitration decreased, and the circuit is shown as the figure.
Reprinted Url Of This Article:
http://www.seekic.com/circuit_diagram/Basic_Circuit/The_magnetic_reset_demagnetization_network_principle_circuit_diagram.html
Print this Page | Comments | Reading(3)
Code: