Published:2011/4/13 4:29:00 Author:Ecco | Keyword: monostable trigger | From:SeekIC

Reprinted Url Of This Article:
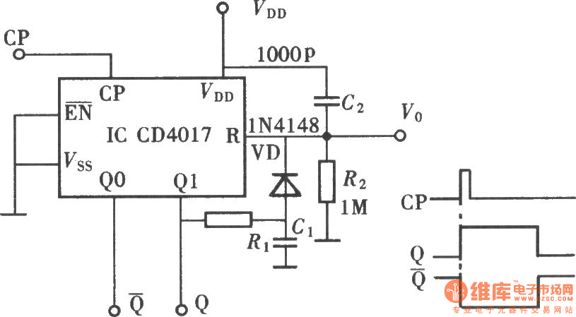
http://www.seekic.com/circuit_diagram/Basic_Circuit/The_monostable_trigger_composed_of_CD4017.html
Print this Page | Comments | Reading(3)
Code: