Published:2011/10/14 3:29:00 Author:Ecco | Keyword: principle , integral adapter | From:SeekIC

Reprinted Url Of This Article:
http://www.seekic.com/circuit_diagram/Basic_Circuit/The_principle_diagram_of_integral_adapter.html
Print this Page | Comments | Reading(3)
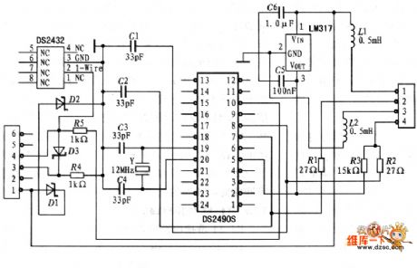
Code: