Published:2011/5/5 2:41:00 Author:Ecco | Keyword: ring flasher , principle | From:SeekIC

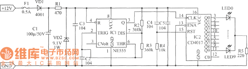
The circuit shown as the chart is the ring scintillator, it is mainly composed of the NE555, CD4017 and external circuit. NE555 constitutes a multivibrator, its square wave output from pin 3 will control CD4017 decoding output shift to turn on LEDs one by one, so that the LEDs flash in ring. The line flicker frequency shown as the chart is about 1.5Hz, operating current is less than 50mA. Component selection: IC1 selects 555 time base circuit, IC2 selects CD4017 integrated circuit. R1 selects (1 / 2) W metal film resistor, the other resistors choose (1 / 4) W resistors, LED0 ~ LED9 can select Φ5mm super bright red LED. Other components are shown as the chart.
Reprinted Url Of This Article:
http://www.seekic.com/circuit_diagram/Basic_Circuit/The_ring_flasher_principle_circuit_diagram.html
Print this Page | Comments | Reading(3)
Code: